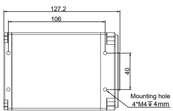
1、確認相機安裝孔位
每臺鑫圖相機都有專門設計的安裝固定孔,如您不清楚相機的固定孔位置和尺寸可參考官網對應相機的結構圖紙確認,以Dhyana 400BSI V3為例,其固定孔圖紙如下所示:
圖1
Dhyana 400BSI V3固定孔位于相機底面,為4個M4螺紋孔,可以在官網中點擊查閱這一圖紙。
圖2
需要注意的是,相機為精密設備,固定時請務必確認已固定牢固,以防意外跌落造成窗片等易損件出現損壞。
2、確認制冷系統工況
若您需要用到相機的水冷功能,請參考以下第①模塊進行設置, 使用相機風冷功能的用戶請參考第②模塊進行設置。
① 確認水冷系統
1)? 將相機放置于平穩的工作臺上;
2)? 將水冷管連接到相機上面的水管接頭上,確保插入到位,如下圖所示;
圖3
3)? 將水管插到冷卻水循環機的水嘴上并用卡箍鎖緊;
4)? 冷卻水循環機水管與相機水管通過轉接閥進行連接。
如果相機水冷已使用一段時間需要更換冷卻水,可以參照以下步驟進行。
1)? 將冷水機工作狀態切換為待機狀態,并拔掉電源插頭;
2)? 機器后部,旋開排水塞即可排空水箱;
3)? 將干凈的循環水添加到水箱最低液位線上,以免水量過低,而引起冷水機故障報警。當然,為了使冷水機達到更好的效果,推薦可將液位盡量接近最高液位線;
4)? 擰好水槽口蓋子,小型冷水機的換水即完成。
在水冷系統連接完成后,可打開水冷機,確認水路是否連通,如果已經連通,水冷機水位會因相機內部管路和水管內空氣排出而出現液面下降,此時應當注意水冷機是否需要補充循環水。
圖4
注:為保持相機良好的工作狀態,循環水應當使用去離子水,建議每3-6個月更換,具體時間視具體情況而定。
② 確認風冷系統
如您使用的相機不需要使用水冷散熱,那么可以參考如下風冷散熱相機注意事項,以Dhyana 400BSI V3作為示例,相機風道如圖所示:
圖5
1)? 確認您安裝相機后風道(進風口和出風口)無遮擋,遮擋將可能造成相機異常升溫,嚴重時可能造成電路損壞;
2)? 相機打開后確認風扇是否正常轉動;
3)? 如果在封閉環境中操作相機,安裝時請確保相機進風口和出風口之間至少有20cm的間隙。
3、連接相機電氣接口
下面介紹如何正確地完成相機電氣連接,仍以Dhyana 400BSI V3為例:
圖6
1)? 將相機電源和USB線連接好,請盡可能使用原裝線纜直連;
2)? 確認電腦接口為USB3.0接口(藍色接口或帶SS標志);
3)? 打開相機電源,確認相機指示燈點亮。如您相機指示燈在打開電源后未亮,請檢查相機供電是否正常或前次實驗是否設置關閉相機指示燈;
4)? 在設備管理器中確認相機型號已正確識別,正確識別的相機設備管理器頁面如圖所示,如未識別到相機,請檢查相機驅動是否正確安裝。
圖7
5)? 正確執行以上步驟后,打開相機軟件,確認預覽圖像是否正常;
6)? 將曝光時間設置為最短,確認相機是否達到設計最大全幅面幀率,如未達到,請確認USB端口供電和傳輸帶寬或更換USB端口。
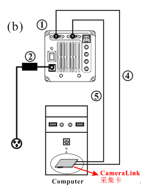
如需使用Dhyana 400BSI V3的CameraLink連接接口,其步驟如下:
圖8
圖9
1)? 將相機電源連接好,請盡可能使用原裝線纜直連;
2)? 將電腦關機,打開電腦主機的蓋板,如圖8所示。選擇傳輸帶寬大于850MB/s的PCIe插槽將采集卡插好,用螺絲進行固定后再將電腦重新啟動;
3)? 確認CameraLink采集卡驅動是否正確安裝,如您尚未安裝采集卡驅動,可以在我們官網點擊下載安裝。
圖10
4)?確認CameraLink線序正確,相機通過兩條CameraLink線對應連接電腦主機上已安裝的CameraLink采集卡CameraLink1和CameraLink2接口,接口順序需要一一對應;
5)? 正確執行以上步驟后,打開相機軟件,確認預覽圖像是否正常;
6)? 將曝光時間設置為最短,確認相機是否達到設計最大全幅面幀率,如未達到,請確認是否還有其他參數設置問題。
以上步驟都無問題后,就可以愉快地開始實驗啦!
鑫圖《常見問答》專欄旨在為大家提供即時高效的技術支持。若以上未解決您的問題,您可以登錄鑫圖官網聯系我們尋求更多幫助。
24/02/22








